


|
型譜 |
說明 |
|||||||
|
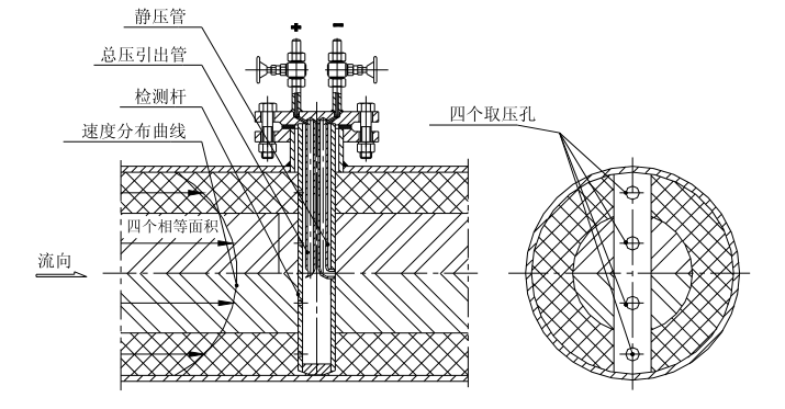
ZHANB- |
阿牛巴流量計 |
|||||||
|
安裝形式 |
M |
螺紋 |
||||||
|
F |
法蘭 |
|||||||
|
本體材質 |
1- |
碳鋼 |
||||||
|
2- |
不銹鋼 |
|||||||
|
3- |
耐高溫材質 |
|||||||
|
測量管徑 |
50- |
|
DN50 |
|||||
|
65- |
|
DN65 |
||||||
|
80- |
|
DN80 |
||||||
|
100- |
|
DN100 |
||||||
|
125- |
|
DN125 |
||||||
|
150- |
|
DN150 |
||||||
|
- |
|
...... |
||||||
|
6000- |
|
DN6000 |
||||||
|
工作壓力 |
1 |
|
0.6 MPa |
|||||
|
2 |
|
1.6 MPa |
||||||
|
3 |
|
2.5 MPa |
||||||
|
4 |
|
4.0 MPa |
||||||
|
5 |
|
6.4 MPa |
||||||
|
6 |
|
10.0 MPa |
||||||
|
工作溫度 |
1 |
120℃以下 |
||||||
|
2 |
220℃以下 |
|||||||
|
3 |
250℃以上 |
|||||||
|
介質類型 |
LC |
|
干凈液體 |
|||||
|
GC |
|
清潔氣體 |
||||||
|
LT |
|
易臟液體 |
||||||
|
GT |
|
易臟氣體 |
||||||
|
VM |
飽和蒸汽 |
|||||||
|
VH |
|
過熱蒸汽 |
||||||
|
附件 |
00 |
不帶附件 |
||||||
|
01 |
僅配差壓變送器(含三閥組) |
|||||||
|
10 |
僅配流量積算儀 |
|||||||
| 11 | 配差壓變送器和流量積算儀 | |||||||
|
12 |
配多參量流量變送器 |
|||||||
